
TIP系列是新型的开关箱.它由玻璃纤维强化多元酯所制造,达到IP66、IK9等级。多元酯的特性是它本身混合30%玻璃纤维来强化,使它达到一个高电阻和机械刚度( IK9)粤重置约1/3的金属箱的效果。同金属箱相比,TIP系列具有重量更轻,更适应腐蚀、潮湿的环境等优点
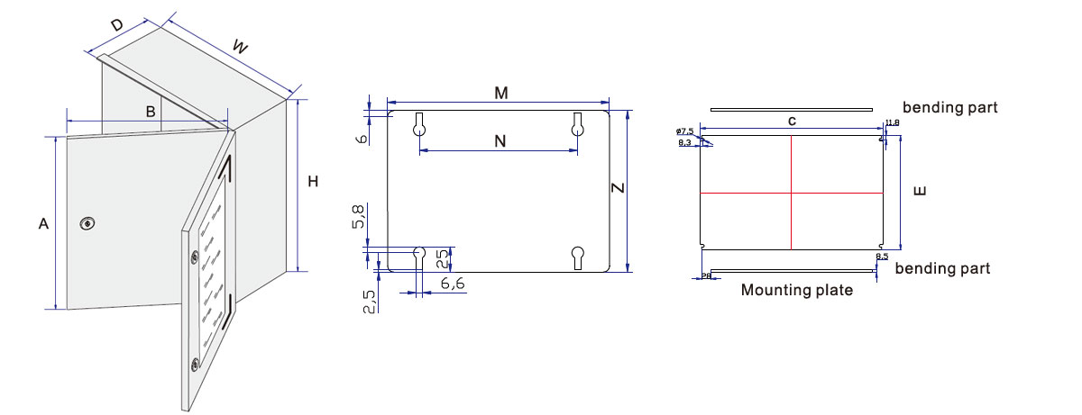
| 尺寸 | Model型号 | 玻璃纤维底板 | 铁底板 | Dimension | |||||
| WHD | 灰色门 | 透明门 | M | N | Z | C | E | ||
| 600X800X300 | TIP-860 | TX-860 | PP86 | TI-86 | 705 | 580 | 477 | 749 | 540 |
| 500X600X230 | TIP-650 | TX-650 | PP-65 | TI-65 | 507 | 485 | 327 | 553 | 447 |
| 400X600X230 | TIP-640 | TX-640 | PP-64 | TI-64 | 510 | 358 | 327 | 553 | 345 |
| 400X500X200 | TIP-540 | TX-540 | PP-54 | TI-54 | 408 | 385 | 277 | 553 | 345 |
| 400X400X200 | TIP-440 | TX-440 | PP-44 | TI-44 | 307 | 385 | 227 | 349 | 345 |
| 300X400X200 | TIP-430 | TX-430 | PP-43 | TI-43 | 310 | 285 | 210 | 353 | 245 |
| 250X300X140 | TIP-325 | TX-325 | PP-325 | TI-325 | 220 | 238 | 157 | 263 | 201 |















浙公网安备 33052302000473号